ENGINEERED SOLUTIONS FOR SPECIALTY VEHICLES
At Sequence Engineering, we specialize in designing custom energy solutions for specialty vehicles. Whether you need a power system for a mobile medical unit, mobile grooming vehicle, off-grid setup, or van conversion, our expert team will engineer a system tailored to your needs.
We understand that no two projects are the same. That’s why we offer custom design services, ensuring that your energy system is built for efficiency, reliability, and peak performance—no wasted power, no inefficiencies, just a system designed to work seamlessly for your application.
SPECIALIZED EXPERTISE
We design systems for specialty vehicles, ensuring maximum efficiency and reliability.
TAILORED SOLUTIONS
Every design is customized to your specific needs—no one-size-fits-all approach.
INSTALLATION SUPPORT
Our team is available to provide remote support and guidance throughout the installation process, so you have peace of mind knowing your system is set up correctly.
PROVEN TRACK RECORD
We’ve worked with top brands to power mobile businesses and specialty vehicles.
OUR PROCESS: SIMPLE, EFFICIENT, AND BUILT FOR YOU

1. Consultation
Every project starts with a free 30-minute discovery call to understand your needs and goals. From there, we’ll determine the best approach to designing a power system that fits your specialty vehicle.

2. System Design
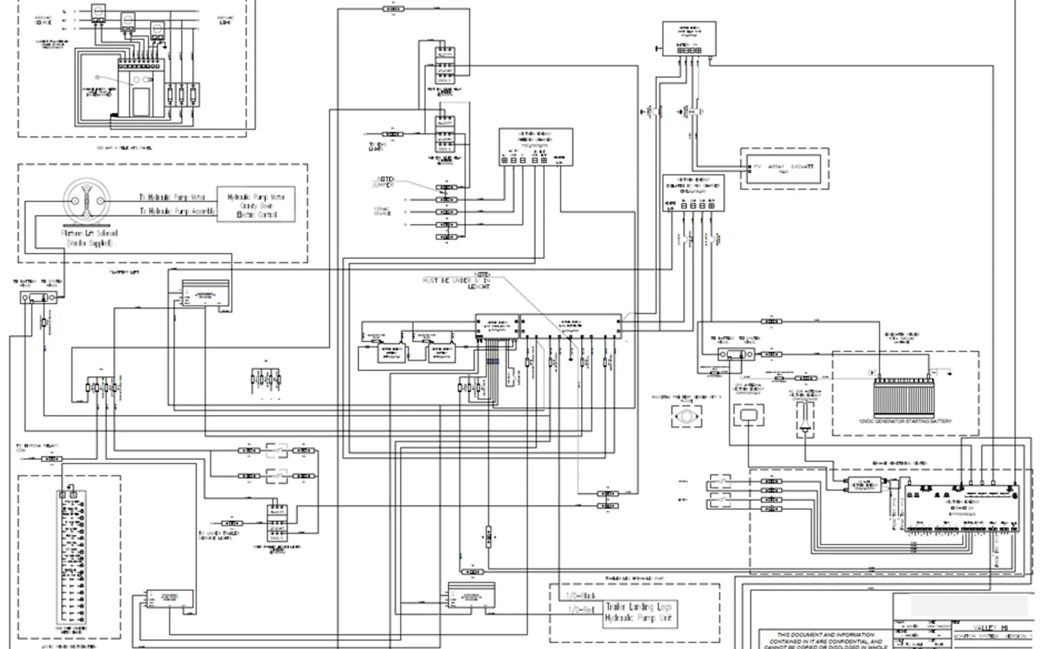
For in-depth design work, our expert engineers charge $200 per hour, ensuring you get a fully optimized system that meets the exact power demands of your vehicle. We take a comprehensive approach—factoring in system load, efficiency, and integration—to deliver a solution that works flawlessly in real-world applications.

3. Installation Support
While we do not handle installations directly, our team is available to provide remote support and guidance throughout the installation process, so you have peace of mind knowing your system is set up correctly.




